熔断电阻器定义,分类以及作用。...
发光二极管: 是一种将电能转化为光能的半导体器件,由一个PN结构成,利用PN结正向偏置下,注入到N区和P区的载流子被复合时会发出可见光和不可见光的原理制成。根据使用材料不同...
电子线的分类 电子线的应用范围 电子线的线径与外径 电子线与电缆线 电子线的规格 ...
简介保护器件产品的特征 保护器件技术 保护器件使用...
连接器的定义 连接器的用途 连接器产品类型的划分 连接器的优点...
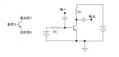
带阻三极管的作用 带阻三极管的电阻比率 带阻三极管的常用型号 带阻三极管的检测 带阻三极管的使用注意...
1.稳压二极管的识别。 常见的稳压二极管有两只引脚,但也有少数稳压二极管为三只引脚(如2DW7),除通过外壳的标志识别外,初学人员更应学会用万用表区别稳压二极管与普通二极管...
瓷介电容器分类 瓷介电容器优点 电容器的参数标注方法 几种电容器的比较...
使用时应注意以下事项 ①应采取保护措施,这样可免除外界不确定因素对压敏电阻器和装置造成的损害。 ②压敏电阻器不应靠近发热或可燃元器件安装,最好...
三极管放大电路的原理 三极管放大电路的基本条件 三极管放大电路三种连接方式 三极管三种放大电路的特点比较...
与芯片(IC)相比,贴片电阻的封装信息要简单的多。不包含管脚信息,仅仅表示贴片电阻的外观尺寸,因此也被称为贴片电阻规格。...
1N14148是南京南山半导体有限公司主营一款贴片二极管型号(注意,型号的第一位是阿拉伯数字1,而不是英文字母I,小部分人可能错写成“IN4148”。)...
根据EIA规定,无源器件(以电阻、电容、电感为主)的标称值,一般会符合其以下标准,即:E-3,E-6,E-12,E-24,E-96等,分别由3、6、12、24、96个数值组成...
作为领先的片式无源器件整合供应商,南京南山销售AVX钽电容和KEMET钽电容已经有十几年的经验,技术部的同事依据多年的客户服务经验,整理了一些贴片...
贴片电容耐压值和额定电压是不一样的,一般情况下,陶瓷叠层贴片电容(MLCC)的耐压都比额定电压要高,这和贴片钽电容需要降额使用正好相反。目前风...
一.稳压二极管原理及特性 一般三极管都是正向导通,反向截止;加在二极管上的反向电压、如果超过二极管的承受能力,二极管就要击穿损毁。但是有一...
总机:025-52188228(10线)
传真:025-84710486
直线:025-84712762,84712745,84710496
E-MAIL:NJ@nscn.com.cn
网址:http://www.phybg.cn
南京:秦淮区洪武路26号天丰大厦11层
深圳:福田区中航路都会电子大厦B座22层
杭州:杭州市西湖区瑞博国际科技大厦B座
上海:浦东新区德州路214号
香港:永乐街177号永德商业中心12楼9-10A室
