
三极管放大电路的基本条件
工作条件:发射结正向偏置,集电结反向偏置。即发射极与基极加导通电压,集电极与基极间加反向电压。
应用条件:1信号不失真2能够放大
三极管放大电路三种连接方式
(1)基极接地叫做共基极放大电路。基极接地一般出现在高频放大电路,在收音机的高放或者本振电路采用。一般用于高频率放大作用。
(2)集电极接地是射极跟随器。只有电流放大作用,没有电压放大作用。输出电流 Iе=(β+1)*Iь 不论负载为0欧姆还是8欧姆,输出电流都是上述关系。
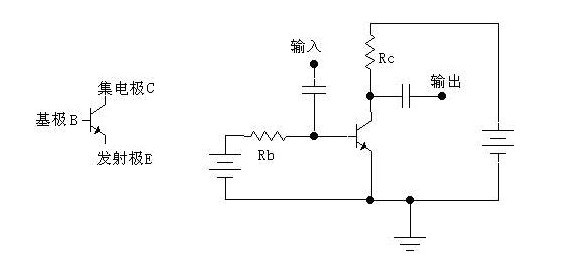
(3)发射极接地是共发射极放大电路。既有电流放大作用,也有电压放大作用,用途最广,常见在一般的信号放大电路中。
三极管三种放大电路的特点比较
(1)共射放大电路——电压增益:较大,与Vo反相 电流放大:有电流放大大 输入电阻:适中 输出电阻:较大 应用情况:频带较窄,常作为低频放大单元
(2)共集放大电路——电压增益::与Vo同相,具电压跟随特性 电流放大:有电流放大大 输入电阻:最大 输出电阻:最小 应用情况:常用于电压放大的输入,输出级
(3)共基放大电——电压增益:较大,与Vo同相 电流放大:无电流放大大 输入电阻:小 输出电阻::较大 应用情况:在三种组态中其频率特性最好,常用于宽带放大
大家好,今天南山电子来给大家介绍一款利用 汽车抬头显示技术 用于HUD 平视显示器 的控制芯片: S2D13V40。HUD 的全称是Head Up Display,即 平视显示器 ,以前...
今天给大家介绍适用于便携式无线传输设备的3225无源晶振:TSX-3225。说到3225无源晶振,那么就不得不提下TSX-3225,ESPON的TSX-3225产品已经非常成熟,...
南山电子2021年放假时间安排: (1) 2 月 9 日至 2 月 18 日放假,共计 10 天。2月19日开始正常上班。 (2) 2 月 18 日(年初七)安排部分业务、跟单、库房人员值...
尊敬的各位新老客户、合作伙伴: 南山电子深圳运营中心经过十五年的稳健发展,原办公地点已不能满足公司发展需要。 自2021年2月1日起,正式乔迁至国...
总机:025-52188228(10线)
传真:025-84710486
直线:025-84712762,84712745,84710496
E-MAIL:NJ@nscn.com.cn
网址:http://www.phybg.cn
南京:秦淮区洪武路26号天丰大厦11层
深圳:福田区中航路都会电子大厦B座22层
杭州:杭州市西湖区瑞博国际科技大厦B座
上海:浦东新区德州路214号
香港:永乐街177号永德商业中心12楼9-10A室
