一 直流稳压电源功能
直流稳压电路,是将交流电变压,整流,滤波,稳压的过程。在介绍这个电路之前,先简单说下主要用到的元器件。
1
电阻
电阻的作用是阻碍线路上电流的流动,可以用作分压,负载等用途。
2
电容
电容的特点是只有在充电时,电流才能从它上面流过。所以直流电无法通过。而交流电是随着时间改变着大小和方向,
电容器连接在交流电源上,电容器就会连续的充电和放电,所以电路中就会流过与交流电变化一致的充电放电电流。
3 电感
电感能将电能转变为磁能,并能在磁场中储存能量。电感的特性与电容相反,它阻交流同直流。
4
二极管
二极管具有单向导电性,在正向电压作用下导通阻值很小,反向电压作用下,电阻极大。
5
变压器
利用电磁感应的原理来改变交流电压的装置,用作升降电压,匹配阻抗等。
二 直流稳压电源的电路构成
2.1变压
将正弦工频交流电压转变为符合用电设备所需要的正弦工频交流电压
2.2 整流电路
利用二极管单向导通的特性,可以做成整流电路。
(1)半波整流

交流电压u1经过变压器变压为u2。当交流电压在正半周时,VD受到正向电压作用导通,电流经过负载RL产生输出电压u0。在交流电压负半周时,VD受到反向电压作用不能导通,RL上无输出电压,这样就将交流电的波形就变为下图所示。
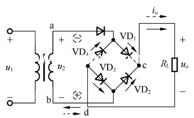
(2) 桥式整流
桥式整流克服了半波整流波形不连续的缺点,由四个二极管构成电桥。如下图

在交流电压正半周时,VD1导通,VD3导通。所以电流从a点经VD1再到c点,流过负载Rl,通过VD3流回b。而在电压负半周时,VD2与VD4导通,电流从b点流经VD2,经过c点,流过负载,通过VD4流回a点。这样无论输入端在正半周还是负半周,输出端都是单一的方向。如下图
三 滤波电路
经过整流电路处理的电压波形仍然波动较大,并不是我们所希望的直流波形。所以我们要对其进行滤波处理,过滤其中的脉动部分,尽量减小输出电压中交流的分量,使波形平滑。
我们要利用电容与电感的特性达到滤波的目的。
3.1 电容滤波
适用负载电流较小的场合

在t=0时刻,假设桥式整流电路能在这个瞬间导通,电流经过桥式电路,在为电容C充电的同时,流过负载RL。在u2达到最大值,下图中的a点,u2下降,当uc>u2时,VD1,VD3反向截止,此时C向负载RL放电,直到下个周期当u2上升,到达b点的时刻,u2>uc,V2与V4导通,u2再次向电容C充电,负载上的输出增大。从波形图上看,波形的波纹显著平滑了。波形图如下

3.2 电感滤波
适用于负载电流较大的场合
电感直流阻抗小,但交流阻抗很大。利用这一特性,我们可以将整流后波形中的交流部分滤除,从而达到使波形平滑的目的。
3.3 LC滤波电路
我们在电感滤波电路负载RL上并联一个电容C以增加滤波效果,可以使我们得到较大输出电流的同时减小电压波动。
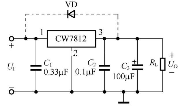
四 稳压电路
可以采用集成三端式
稳压器,集成稳压器具有输出电流大,输出电压高,体积小,可靠性高等优点。其中78XX为固定电压、正电压输出。79XX为固定电压、负电压输出。
基本应用电路如下图。